Hitunglah tahanan pengganti Rpengganti untuk seluruh rangkaian dan arus bagian I1 dan I2 pada rangkaian berikut ini.
2 Ohm
8 Ohm
3 Ohm
4 Ohm
0,4 Ohm
Gambar yang ditunjukkan nomor 3 adalah simbol alat ukur ...
Alat ukur elektrodinamis
Alat ukur magnet putar
Alat ukur kumparan putar dengan kumparan silang
Alat ukur besi putar
Alat ukur kumparan putar dengan magnet
Tersusun oleh apakah suatu atom ?
Atom terdiri atas inti atom dan elektron-elektron
Atom terdiri atas Proton, inti atom
Atom terdiri atas noutreon dan inti atom
Atom terdiri atas ion-ion & Proton
molekul-molekul
Berdasarkan gambar dibawah ini, pernyataan yang benar adalah ...
Dibawah ini adalah simbol dari ...
Transistor NPN
Triac
Transistor PNP
SCR
Diode
Sistem pengukurannya ada dua macam yaitu pengukuran Primer dan pengukuran sekunder. Yang dimaksud dengan pengukuran sekunder adalah ....
Pengukuran langsung pada tegangan 220 V
Pengukuran menggunakan Voltmeter
Pengukuran tiga fasa atau disebut juga pengukuran tak langsung (menggunakan trafo arus)
Pengukuran menggunakan instrumen yang ada di PHB
Pengukuran dengan Tang ampere
Berapa arus yang mengalir pada lampu dan tahanan lampu bila lampu pijar 220 – 230 volt, 100 watt dipasang pada tegangan 225 volt ?
2,25 A
22,5 A
0,44 A
4,44 A
0,225 A
Tiga tahanan R1 = 20 ohm; R2 = 25 ohm dan R3 = 100 ohm terpasang parallel pada 100 V. Berapa besarnya arus total ?
25 A
15 A
5 A
10 A
0,1 A
Gambar Over Load disamping, yang ditunjukkan Oleh huruf a dan b adalah kontak nomor…
75 dan 77
97 dan 98
98 dan 96
95 dan 96
96 dan 97
Pernyataan yang benar berdasarkan kambar dibawah ini adalah ...
Dibawah ini yang termasuk jenis lampu Neon Sign (Lampu Tabung) adalah ...
Halide
Blended
Fluoresen
Reflector
Lampu Hemat Energi
Rugi-rugi tegangan suatu instalasi penerangan tidak boleh lebih dari ...
1%
2 %
5%
15%
10%
Sebuah akkumulator dapat memberikan muatan listrik sebesar 24 Ah.Berapa hari akkumulator tersebut dapat tetap terhubung pada instalasi alarm, jika dia harus terus-menerus memberikan arus sebesar 0,2 A
3 hari
5 hari
6 hari
48 hari
7 hari
diatas ini adalah simbol komponen ...
Trioda
Dioda
Transistor
Penyearah silikon
Dioda Zener
Gambar dibawah ini disebut gambar ...
Diagram rinci
Diagram daya
Pembagian beban PHB
Diagram satu garis
Diagram beban
Didalam kumparan kawat alumunium dengan luas penampang 0,5 mm2, rapat arus yang diijinkan adalah sebesar 2 A/mm2. Berapa besarnya arus operasional yang diperbolehkan
2 A
1 A
6 A
0,15 A
4 A
Pada suatu tahanan tertulis data 4 K ohm dan 20 mA. Berapa besarnya tegangan maksimum yang boleh terpasang ?
0,2 V
80 V
2 v
8 V
800 V
Untuk peralatan yang menggunakan motor-motor listrik (pompa air, alat pendingin/ AC/freezer/kulkas, peralatan laboratorium), penerangan dengan lampu tabung yang menggunakan balast/trafo mempunyai beban bersifat ...
resistif
reaktansi
kapasitif
Induktif
tenaga
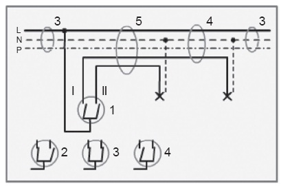
Gambar yang bertanda X memiliki jumlah kabel sebanyak ...
4
3
6
5
7
Sebuah kumparan mempunyai resistansi 80 ohm dan induktor 0,192 H dipasang pada tegagan 225 V, 50 H, berapakah arus yang mengalir ?
22,5 A
0,25 A
17 A
1,7 A
2,25 A
Gambar dibawah ini adalah kabel jenis ...
NYA
NYFGbY
N2XY
NYY
NYM
Sebuah kompor listrik 225 volt, 900 watt mempunyai elemen pemanas 5 m. hitunglah arus dan tahanan elemen. Jika elemen pemanas putus, kemudian disambung sehingga panjangnya menjadi 4,8 m. hitunglah besar tahanan kompor yang dipasang pada tegangan 225 volt.
25 ohm
30 ohm
55 ohm
60 ohm
100 ohm
Suatu kompor listrik untuk 220 V menyerap arus sebesar 5,5 A. Berapa besarnya tahanan kompor listrik ?
25 ohm
20 ohm
40 ohm
60 ohm
10 ohm
yang bertanda x memiliki jumlah penghantar ...
2
4
5
3
6
Gambar dibawah ini adalah kabel jenis ...
N2XY
NYA
NYY
NYAF
NYM
adalah simbol dari
Push Button
OVERLOAD
ELCB
MCB
TOR
Jumlah kabel pada instalasi dibawah ini adalah ...
5
3
6
4
2
adalah simbol dari :
TOL
TDR
MCB
TOR
ELCB
Berapa putaran generator setiap detik bila diketahui sebuah pembangkit listrik tenaga air ( PLTA ) mempunyai generator dengan 20 kutub, untuk menghasilkan frekuensi 50 Hz ?
1000 rpm
2500 rpm
300 rpm
250 rpm
100 rpm
Simbol gerbang AND ditunjukkan nomor ...
2 & 3
4
3
1 & 5
1
Gambar yang diberi tanda X memiliki jumlah penghantar ...
3
4
5
2
Berapa Vpp, Vmax dan Veff jika penunjukan voltmeter dari suatu tegangan bolak – balik gelombang sinus yang menunjukan 200 volt puncak - puncak jika dilihat dengan CRO/osiloskop ?
Vpp= 200 V Vmax= 100 V Veff= 70,7 V
Vpp= 100 V Vmax= 200 V Veff= 70,7 V
Vpp= 100 V Vmax= 200 V Veff= 70,7 V
Vpp= 200 V Vmax= 100 V Veff= 50 V
Vpp= 100 V Vmax= 200 V Veff= 50 V
Berdasarkan gambar dibawah ini, pernyataan yang benar adalah ...
Gambar dibawah ini yang bertanda x memiliki jumlah penghantar ...
5
3
4
2
6
Pipa untuk instalasi listrik (khususnya union) pada bagian ujung pipa terdapat bagian yang tajam akibat bekas pemotongan dari pabrik maupun pada pelaksanaan pekerjaan. Agar tidak merusak kabel maka bagian yang tajam ini harus diratakan/dihaluskan dan perlu waktu yang cukup lama. Untuk mengantisipasi masalah ini cukup dipasang ...
Klem
lasdop
watermur
PE
Tule
Pipa dari bahan plat besi yang diproduksi tanpa menggunakan las dan biasanya diberi cat meni berwarna merah, yang dapat digunakan untuk pipa instalasi listrik disebut ...
Red Pipe
Instalation Pipe
Pipa PVC
Pipa Fleksible
Pipa Union
berapakah arus yang diserap oleh kapasitor, jika dua buah kapasitor 60 uF dan 40 uF diseri dan dipasang pada tegangan 220 V, 50 HZ ?
0,24 A
16,7 A
24 A
2,4 A
1,67 A
Berapa besarnya tahanan suatu untaian tembaga panjang 5 m dengan luas penampang 0,8 mm2 ?
0,111 ohm
0,01 ohm
0,22 ohm
11,1 ohm
2,2 ohm
Berapa besarnya nilai arus yang ditunjukkan amperemeter pada rangkaian dibawah ini
0,25 A
20 A
5 A
2,5 A
0,5 A
Sebuah kapasitor 10 uF diseri dengan resistor 120 ohm dan dipasang pada tegangan 100 V, 50 Hz. Hitunglah arus yang mengalir !
2,94 A
0,12 A
3,7 A
0,294 A
1,2 A
Simbol yang ditunjukkan oleh nomor 2 adalah simbo, alat ukur...
Alat ukur magnet putar
Alat ukur kumparan putar dengan magnet
Alat ukur kumparan putar dengan kumparan silang
Alat ukur besi putar
Alat ukur elektrodinamis
Simbol yang ditunjukkan oleh nomor 1 adalah ...
Alat ukur elektrodinamis
Alat ukur kumparan putar dengan kumparan silang
Alat ukur kumparan putar dengan magnet
Alat ukur besi putar
Alat ukur magnet putar
Pengaman instalasi penerangan bangunan menggunakan MCB type ...
H
L
Z
K
G
Rugi-rugi tegangan suatu instalasi tenaga, tidak boleh melebihi dari ...
1%
10%
15%
20%
5 %
Berapa persen faktor pengisian maksimum untuk instalasi sebuah rumah yang menggunakan 3 buah kabel dalam satu pipa ?