Setrika listrik dengan tanda 220V di lalui arus 2,5A selama 5 menit. Berapa besar energi yang digunakan….
165 Joule
1650 Joule
2750 Joule
165.000 Joule
175.000 Joule
Sebuah setrika listrik memakai daya listrik 200 Watt. Kalau setrika listrik dipakai selama 2 jam setiap harinya selama 30 hari, maka usaha yang digunakan…..
12 Kwh
120 Kwh
24 Kwh
1,2 Kwh
1.200 Kwh
Manakah yang benar untuk simbol alat ukur jenis kumparan putar (moving coil)
Gambar disamping merupakan symbol jenis alat ukur …….
Alat Ukur Besi Putar
Alat ukur elektro dinamis
Kumparan Putar
Alat ukur Magnet Putar
Alat ukur Induksi
Tujuan mengkalibrasi alat ukur sebelum digunakan adalah ……
Menempatkan posisi jarum penunjuk pada angka nol
Menjaga keselamatan alat ukur
Supaya alat ukur awet
Menghemat Baterai
Menjaga kesetabilan alat ukur
Berapa Jumlah kawat pada huruf A, pada instalasi bawah tanah berikut ini ...
1 kawat penghantar
2 kawat penghantar
3 kawat penghantar
4 kawat penghantar
5 kawat penghantar
Berikut ini adalah langkah-langkah yang benar dalam mengecek setrika listrik yang rusak ...
mengecek tegangan (stop kontak) - mengecek hubungan kabel strika – mengecek terminal strika – membongkar strika – mengecek elemen strika – mengganti elemen jika mengalami kerusakan
mengecek tegangan (stop kontak) - mengecek hubungan kabel strika – mengecek terminal strika – mengecek elemen strika – membongkar strika – mengganti elemen jika mengalami kerusakan
membongkar strika - mengecek tegangan (stop kontak) - mengecek hubungan kabel strika – mengecek terminal strika ––mengecek elemen strika - mengganti elemen jika mengalami kerusakan
membongkar strika – mengecek elemen strika - mengecek tegangan (stop kontak) - mengecek hubungan kabel strika – mengecek terminal strika – mengganti elemen jika mengalami kerusakan
Pada rangkaian pengendali membalik putaran motor induksi Rotor sangkar 3 fasa, Fungsi kontaktor reverse, adalah…….
Mematikan motor saat hubungan singkat
Menukar salah satu fasa motor
Pengaman beban lebih
Menukar semua fasa motor
Pengaman terhadap ganguan tegangan nol
Pada gambar rangkaian daya di bawah ini Kontaktor K1 dan K 2 berfungsi untuk ...............
Rangkaian daya Star (Y)
Rangkaian daya Delta
Rangkaian Run Jogging
Rangkaian Power
Rangkaian Putar Kanan dan kiri
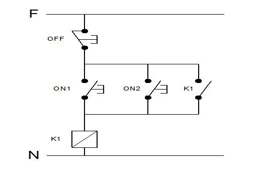
Pada Gambar rangkaian di bawah ini, merupakan gambar rangkaian pengendali untuk menjalankan motor ...........
Squence
Interlocking
Forward reverse
Run-Jogging
Star delta
Manakah yang termasuk pengaman motor ……
SPM dan Overload
MCB dan ELCB
SPM dan MCB
SPM dan ELCB
ELCB dan overload
Simbol kontak TDR (time delay relay) yang dipakai dalam penggambaran rangkaian kontrol adalah
So disamping pada PLC adalah sama dengan simbol ……
Pada Gambar rangkaian di bawah ini, merupakan gambar rangkaian pengendali untuk menjalankan motor .........
Squence
Interlocking
Forward-reverse
star delta manual
star delta otomatis
Gambar dibawah adalah ledder diagram dari rangkaian ...
Mesin gergaji kayu
eskalator
Pintu gerbang semi otomatis
Mesin bubut bekerja star delta
Mesin pemindah barang yang bekerja berutan
Diketahui gambar ;
Pada gambar tersebut bila dirubah ke ladder diagram adalah
Double Acting cylinder merupakan salah satu bagian Elemen Pneumatik dari ……
Actuator
Elemen kontrol
Prosessor
Sensor
Sumber energi
Prinsip kerja seterika listrik adalah ….
Energi listrik menjadi panas
energi listrik menjadi kinetik
energi listrik menjadi mekanik
energi listrik menjadi cahaya
energi pegas menjadi panas
Jika arus nominal motor induksi 3 fasa 10 Amper, maka besar MCB yang digunakan adalah …
16 A
10 A
2 A
20 A
14 A
Pada motor listrik yang sudah selesai digulung, untuk mengetes tahanan isolasi antara kumparan dan antara kumparan dengan body digunakan ……….
Megger
Ohm meter
AVO mater
Earth tester
Galvano meter
Sebuah Transformator penurun tegangan mempunyai tegangan primer 2200 Volt dan tegangan sekunder 220 Volt.Jika kumparan primer mempunyai 2000 lilitan.Berapa jumlah lilitan sekunder ?
200 lilitan
2.200 lilitan
220 lilitan
22.000 lilitan
20 lilitan
Suatu motor 3 fasa berkutup empat, frekuensi jaringan 50 Hz, berapakah putaran medan stator motor tersebut..
1500 rpm
3000 rpm
150 rpm
2500 rpm
1000 rpm
Seorang siswa seang menggunakan solder tegangan 220 V dengan Arus listrik 1 A. Solder ipakai selama 2 jam. Maka besar Energi listrik yang digunakan solder adalah….
110 KWh
11 KWh
11.000 Kwh
1.100 KWh
1,1 KWh
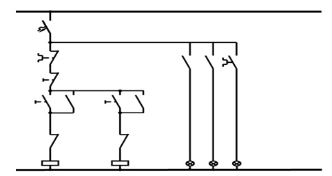
Gambar instalasi tenaga system diagram datu garis yang terdiri dari motor 3 fasa dilengkapi : sakelar canai, bi metal, pengaman lebur adalah….
Sambungan terminal kWh meter yang benar adalah….
Notasi untuk kontak utama pada kontaktor magnet adalah
L1, L2, L3
V1, V2, V3
K1, K2, K3
T1, T2, T3
R1, R2, R3
Gambar disamping adalah…..
TPDT
TPTT
DPDT
SPTT
DPST
Variasi urutan angka pada kontak utama dan kontak Bantu yang benar adalah….
ELCB merupakan kepanjangan dari………….
Earth Leakage Circuit Breaker
Emmergency Leakage Circuit Breaker
Emmergrncy Load Circuit Breaker
Earth Landing Circuit Breaker
Earth Load Common Breaker
MCB merupakan kepanjangan dari……..
Miniature Circuit Breaker
MaksimumCircuit Breaker
Magnetik Circuit Breaker
Miniature Common Breaker
Miniature Contact Breaker
Tujuan dilakukannya pengujian tahanan isolasi pada suatu instalasi adalah untuk ....
mengetahui kapasitas terendah/minimum tegangan penghantar yg dialiri arus
mengetahui kapasitas tertinggi/maksimum tegangan penghantar yg dialiri arus
mengetahui kapasitas terendah/minimum isolasi penghantar yg dialiri arus
mengetahui kapasitas tertinggi/maksimum isolasi penghantar yg dialiri arus
mengetahui kapasitas rata-rata isolasi penghantar yg dialiri arus
Terdapat 3 macam elekroda pentanahan yaitu ....
bentuk segitiga , pita, dan plat.
bentuk batang , kotak, dan plat.
bentuk batang , pita, dan plat.
bentuk batang , pita, dan kotak
bentuk batang , pita, dan segitiga.
Bahan isolasi untuk sekat pada alur Stator adalah ....
Kertas prespan
Kertas kalkir
Kertas Buram
Kertas Plastik
Kertas Mika
Gambar dibawah ini adalah rangkaian control dua motor yang bekerja secara berurutan. Agar rangkaian berfungsi, kontak pada A adalah ….
NO K2
NO K1
NC K2
NC S2
NC K1
Simbol dari saklar tukar adalah ....
Dengan batas ukur saklar 1000 V DC, nilai pembacaan jarum AVO meter di bawah ini …
440 Volt
22 volt
44 volt
220 volt
110 volt
Penghantar yang digunakan untuk instalasi penerangan (rangkaian akhir) adalah penghantar jenis ....
NYA
NYFA
NYY
NYFGBY
NYMHY
Gambar disamping merupakan diagram dari ….
kontak dari rangkaian kontaktor dengan ELCB.
kontak dari rangkaian kontaktor dengan counter.
kontak dari rangkaian kontaktor dengan termorelai.
kontak dari rangkaian kontaktor dengan overload.
kontak dari rangkaian kontaktor dengan timer.
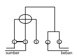
Dalam rangkaian Water Level Control (WLC) , terdapat terminal S0, S1, S2, Ta, Tb, Tc, E1, E2, E3. Terminal kontak yang digunakan untuk menghubungkan dan memutuskan Motor pompa air dari sumber teganganya adalah ....
So, S1, dan S2
Ta, Tb, dan Tc
E1, E2, dan E3
S2, Tb, dan E3
S0, Ta, dan E1
Hubungan pemasangan Volt meter pada sebuah panel meter untuk mengetahui tegangan Phase sumber yang benar adalah seperti gambar ....