Pada Kontak TDR, terminal yang berfungsi sebagai terminal masukan NO/NC adalah kontak nomor....
2 dan 7
3 dan 4
2 dan 4
1 dan 8
3 dan 7
Arus yang masih dirasakan aman walaupun sudah memberikan dampak rasa pada tubuh dari ringan sampai sedang walaupun masih belum menyebabkan gangguan kesehatan adalah sebesar ....
0,1 mA s/d 0,5 mA
0,5 mA s/d 200 mA
200 mA s/d 500 mA
500 mA s/d 1000 mA
1000 m A s/d 200 mA
Komponen yang termasuk alat pengaman otomatis yang bekerja bila mendeteksi adanya arus bocor ke tanah adalah ....
MCB dan ELCB
ELCB dan Fuse
ELCB dan RCD
RCD dan MCB
RCD dan NFB
Berikut ini adalah prosedur untuk menjaga keselamatan umum, kecuali ….
Menggunakan tangga logam yang kuat untuk bekerja di daerah instalasi listrik.
Menggunakan peralatan listrik sesuai dengan prosedur.
Hanya orang yang berwenang dan berkompeten yang diperbolehkan bekerja pada peralatan listrik.
Pelihara alat dengan system yang baik.
Memisahkan korban sengatan listrik dari aliran listrik dengan cara yang aman sebelum dilakukan pertolongan pertama.
Arti simbol pada peralatan listrik (misalnya pada mesin bor tangan) adalah ….
Isolator proteksi ganda
Konduktor pengaman ke ground
Tegangan rendah AC
Peralatan yang tahan percikan air
Aman terhadap penyusupan debu.
Pada gambar di samping, adalah rangkaian untuk mengendalikan Motor listrik 3 fasa dengan kerja….
Hubungan Bintang Segitiga
Hubungan Jogging- Inching
Dua motor berurutan
Pengendali R/F otomatis
Pengendali R/F manual.
Gambar di bawah ini merupakan skema pemasangan dari alat ukur ….
Ampermeter AC 1 phasa
Voltmeter AC 1 phasa
Kwhmeter AC 1 phasa
Wattmeter
Ohmmeter
Suatu alat pengaman yang dilengkapi dengan komponen thermis (bimetal) untuk pengaman beban lebih dan juga dilengkapi relai elektromagnetik untuk pengaman hubung singkat disebut ….
NFB
MCB
MCCB
ACB
OCB
Yang termasuk kawat penghantar tanpa isolasi (telanjang) antara lain ….
NYFGBY, NYY, NYA
BCC, AAC, ACSR
NYM, NYMHY, NYY
BCC, NYAF, N2XY
NYY, NYY, YFF
Jumlah kontaktor yang diperlukan pada rangkaian pengendali Motor Hubungan Bintang – Segitiga adalah sebanyak….
5 buah
6 buah
2 buah
3 buah
4 buah
Pada gambar rangkaian lampu Fluoresen/TL, bagian yang diberi nomor 6 adalah ….
Starter
Kontak-ontak bimetal
Filamen tabung/elektroda
Kapasitor kompensasi
Ballast
Pada gambar di bawah ini, pengoperasian sebuah lampu dari dua tempat, jumlah penghantar yang digunakan pada titik A adalah ….
3 penghantar fasa
3 penghantar fasa dan 1 penghantar netral
4 penghantar fasa
4 penghantar fasa dan 1 penghantar netral
5 penghantar fasa
Keuntungan penggunaan pipa PVC untuk instalasi listrik adalah, kecuali …
Lebih ringan
Lebih mudah pengerjaannya
Merupakan bahan isolasi
cocok untuk daerah yang panas diatas 60 derajat Celcius
tidak menimbulkan korosi
Yang bukan tujuan dari pemasangan system pentanahan pada instalasi listrik adalah ….
Menjamin keselamatan manusia dari sengatan/sentuhan listrik
Menjamin kerja peralatan listrik/elektronik
Mencegah kerusakan peralatan listrik/elektronik
Meningkatkan arus yang mengalir ke peralatan listrik/elektronik
Menyalurkan energy serangan petir ke tanah.
Komponen yang berfungsi untuk menutup sambungan kabel jenis pigtail di dalam kotak sambungan disebut ….
Tule
Lasdop
Knee
Shock
Klem
Menurut PUIL 2000 ukuran penampang minimal hantaran tembaga tanpa pelindung mekanis pada instalasi listrik adalah ….
1,5 mm2
2,5 mm2
4,0 mm2
6,0 mm2
10 mm2
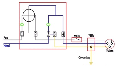
Sumber listrik yang terdapat pada rumah, kantor dan lain-lain berasal dari jaringan PLN, terpasang alat ukur jaringan PLN ke instalasi, alat ukur tersebut berfungsi untuk mengukur ….
Frekuensi
Daya listrik
Arus listrik
Tahanan listrik
Energy listrik
Ukuran pipa PVC yang sering digunakan untuk instalasi listrik dalam sebuah rumah tinggal mempunyai diameter ….
2/3 inchi
5/8 inchi
3/4 inchi
1,0 inchi
1,5 inchi
Simbol dari sebuah saklar seri adalah ….
Kebutuhan intensitas penerangan yang direkomendasikan untuk sebuah ruang gambar adalah ….
350 lux
750 lux
1000 lux
1250 lux
1500 lux
Alat ukur kumparan putar memiliki cirri-ciri seperti di bawah ini, kecuali ….
Memiliki magnet buatan
Memiliki magnet pernanen
Penggunakan prinsip percobaan Lorentz.
kumparan dililitkan pada inti besi lunak.
memiliki pegas spiral
Sebuah Amperemeter mempunyai tahanan dalam (Rd) sebesar 10 Ohm, digunakan untuk mengukur arus pada sebuah lampu pijar (tertulis data 60 Watt 220 V) yang dihubungkan ke sumber tegangan 220 Volt. Maka Amperemeter akan menunjukkan nilai sebesar ….
105,25 mA
147,26 mA
224,69 mA
269,39 mA
315,27 mA
Sebuah Amperemeter mempunyai batas ukur skala penuh 1 A dan hambatan dalam (Rd) 10 ohm. Agar Ampare meter tersebut mampu untuk mengukur arus listrik sebesar 3 A, maka yang harus dilakukan adalah ….
Memasang tahanan seri dengan Amperemeter sebesar 5 ohm.
Memasang tahanan parallel dengan Amperemeter sebesar 5 ohm.
Memasang tahanan seri dengan Amperemeter sebesar 10 ohm.
Memasang tahanan paralel dengan Amperemeter sebesar 10 ohm.
Memasang tahanan seri parallel dengan Amperemeter sebesar 15 ohm.
Sebuah motor listrik dengan name plate pada bodinya sebagai berikut : - Tegangan : 220/380 Volt - Kuat Arus Listrik : 9.,9 A - Daya : 1/0,75 kWatt - Frekuensi : 60 Hz - Putaran motor : 5000/4000 Rpm Dari data name plate motor listrik, yang tidak termasuk dalam besaran turunan adalah ….
Daya
putaran motor
kuat arus listrik
frekuensi
tegangan
Rangkaian pengukuran tegangan pada lampu B adalah …
Suatu Amperemeter dengan Batas Ukur skala penuh (Ifs) 1 mA dan tahanan dalam (Rd) = 50 Ohm, akan di ubah menjadi suatu Voltmeter dengan batas ukur (Vfs) 50 Volt. Maka yang harus dilakukan adalah
Memasang tahanan seri dengan Amperemeter sebesar 55.000 ohm.
Memasang tahanan paralel dengan Amperemeter sebesar 55.000 hm.
Memasang tahanan seri dengan Amperemeter sebesar 50.950 ohm.
Memasang tahanan paralel dengan Amperemeter sebesar 50.950 ohm.
Memasang tahanan seri dengan Amperemeter sebesar 49.950 ohm.
Saklar selector pada Multimeter menunjuk pada 500 Volt AC. Jika kemudian dipakai untuk mengukur tegangan, jarum menunjuk 35 Volt pada batas ukur skala 0 – 250 Volt, maka hasil pengukuran tegangan tersebut adalah ….
35 Volt
45 Volt
50 Volt
70 Volt
105 Volt
Fungsi dari knop Zero Adjustment pada multimeter adalah untuk ….
Mengatur Jarum penunjuk agar menunjuk 0 Volt.
Klaibrasi nol Ohm pada pengukuran tahanan.
Mengatur Jarum penunjuk agar menunjuk 0 Ampere.
Meningkatkan kemampuan Ampermeter untuk pengukuran arus yg besar.
Meningkatkan kemampuan Voltmeter untuk pengukuran tegangan yg besar.
Multimeter digunakan untuk menguji kapasitor, maka kapasitor tersebut dikatakan baik apabila ….
Jarum penunjuk bergerak ke kanan (naik) kemudian kembali menuju nol.
Jarum penunjuk bergerak ke kanan (naik) kemudian berhenti pada nilai tertentu.
Jarum penunjuk bergerak menuju ke tengah-tengah skala multimeter.
Jarum penunjuk bergerak ke kiri dan ke kanan berulang-ulang (berdenyut).
Jarum penunjuk tidak bergerak sama sekali.
Sebuah kompor listrik bertuliskan 220 Volt dengan 2 pilihan daya 300 Watt dan 500 Watt. Tahanan yang dimiliki oleh kompor listrik tersebut adalah ….
121,3 Ω dan 66,8 Ω
131,3 Ω dan 69,8 Ω
141,3 Ω dan 76,8 Ω
151,3 Ω dan 86,8 Ω
161,3 Ω dan 96,8 Ω
Catatan pada KWh meter pada bulan Desember awal bulan tercatat 23578 KWh dan pada akhir bulan tercatat 137658 kWh. Berapakah daya rata rata beban yang pada tiap harinya (1 hari pemakaian = 8 jam)?
256,6Watt
298,3 Watt
371,3 Watt
475,3 Watt
765,6 Watt
Rumus yang digunakan dalam alat ukur KWhmeter adalah ….
Kwh = (V.I.Cos Q).t /1000
Kwh = (V.I.Cos Q) /(t . 1000)
Kwh = (V.I.Cos Q).t /100
Kwh = (V.I.Cos Q)./(t.100)
Kwh = (V.I.Cos Q).t /(t +1000)
Satuan dari muatan listrik yaitu...
Volt
Ampere
Coulomb
Ohm
Joule
Beda potensial antara dua titik jika diperlukan usaha satu joule untuk memindahkan muatan listrik satu coulomb merupakan definisi dari...
1 Watt
1 Ampere
1. Volt
1 Ohm
1 Joule
Perintah PLC yang digunakan untuk mengkondisikan sebuah output agar tetap menjadi ON walaupun tombol input dilepas adalah....
OR
NOT
RESET
AND
SET
Perintah untuk mempertahankan sebuah output tetap ON saat sumber tegangan PLN mati adalah....
OUT
HR
SET
TIM
CNT
Katup yang dapat digunakan untuk komponen kontrol akhir yang melayani Silinder kerja ganda adalah ....
Katup 2/2 NO
Katup 2/2 NC
Katup 3/2 CO
Katup 3/2 NC
Katup 5/2
Identifikasi warna pada instalasi arusbola-balik 3 fasa untuk 1fasa (L1), fasa2(L2),fasa 3 (L3) dan netral (N) menurut PUIL 2000 adalah ....
Merah, Kuning, Hitam, dan Biru
Kuning, Merah, Hitam, dan Biru
Merah, Hitam, Kuning, dan Biru
Biru, Kuning, Merah, dan Hitam
Merah, biru, Kuning dan Hitam
Komponen yang berfungsi untuk menutup sambungan kabel jenis pigtail di dalam kotak sambungan disebut ….
Tule
Lasdop
Knee
Shock
Klem
Dibawah ini hal-hal yang termasuk dalam prinsip Ketersediaan dalam instalasi listrik, kecuali ….
Pemasangan komponen instalasi listrik ditata sehingga terlihat rapi dan tidak menyalahi aturan.
Tidak mengganggu instalasi yang sudah ada.
Mudah menghubungkannya dengan system instalasi yang baru.
Dimungkinkan adanya pengembangan/ perluasan instalasi jika diperlukan.
Kesiapan instalasi dalam melayani kebutuhan pemakaian listrik.