Teori kejuruan Teknik Konstruksi Batu dan Beton-Tahap-1
Quiz
Ukuran kertas A3 adalah…..
297 x 420 mm
290 x 415 mm
320 x 426 mm
300 x 424 mm
298 x 422 mm
Dalam menggambar menggunakan pensil. Standard kekerasan pensil kategori paling keras adalah ...
5H
6H
7H
8H
9H
Sebuah gelagar dijepit sempurna di A (B=ujung bebas), padanya bekerja muatan terbagi rata q=1 t/m. Hitunglah besar gaya reaksi pada tumpuan A bila diketahui panjang gelagar 4m!
18tm
28 tm
-28tm
16tm
27tm
Penyesuaian atau pembakuan cara membuat dan membaca gambar dengan berpedoman pada standar gambar yang telah ditetapkan adalah pengertian….
Gambar teknik
Standarisasi gambar
Fungsi gambar teknik
Kegiatan menggambar teknik
Bahasa teknik
Gambar disamping adalah cara menggambar proyeksi….
Isometri
Dimetri
Trimetri
Miring/oblique
Persektif
Tebal penutup beton untuk konstruksi balok didalam ruangan minimal setebal:
1,5 cm
2,0 cm
2,5 cm
3,0 cm
3,5 cm
Syarat-syarat pemasangan tembok ½ bata adalah sebagai berikut , kecuali
siar datar harus segaris lurus
siar tegak tidak boleh segaris lurus
siar lintang bergeser ¼ bata
siar lintang bergeser ½ bata
spesi harus padat
Sebuah gelagar dijepit sempurna di A (B=ujung bebas), padanya bekerja sebuah beban terpusat P=5t. Hitunglah besar gaya reaksi pada tumpuan A bila diketahui panjang gelagar 4m!
-8tm
8 tm
8t
6tm
7tm
Sebelum kita mulai memlester tembok, maka terlebih dahulu mengerjakan:
memasang benang tegak dan datar
menentukan ketebalan plesteran dengan paku
membuat kepala/kop plesteran dengan sisi-sisi 5 cm
membuat alur/tanggul plesteran hingga rata dan tegak lurus
bisa langsung diplester dan diratakan
Tahapan pekerjaan yang dilakukan setelah pekerjaan pemasangan papan bouwplank adalah…
pasangan pondasi
pasangan batu kosong
urugan tanah
urugan pasir
galian tanah pondasi
Sebuah gelagar dijepit sempurna di A (B=ujung bebas), padanya bekerja sebuah beban terpusat P=5t. Hitunglah besar gaya reaksi pada tumpuan A bila diketahui panjang gelagar 5m!
-12,5tm
12,5tm
10tm
8t
8tm
Di bawah ini adalah syarat-syarat agregat halus, kecuali:
Kadar lumpur minimal 5%.
Kadar gumpalan tanah liat yang mudah dirapihkan maksinum 3%
Kadar zat organis, melalui uji warna, warnanya nya tidak lebih tua dari warna standar.
Kadar lumpur maksimal 5%
Modulus kehalusannya antara 2,3 – 3,1
Perhatikan gambar berikut !
Jenis sambungan kayu tersebut adalah ....
Sambungan lurus
Sambungan bibir lurus
Sambungan tegak lurus
Sambungan lurus berkait
Sambungan memanjang
Pasangan pondasi batu kali menggunakan campuran spesi dengan perbandingan volume 1 : 5. Apabila dalam satu kali adukan digunakan pasir sebanyak 25 ember, maka harus diberikan semen sebanyak ....
5 ember
7,5 ember
10 ember
12,5 ember
15 ember
Berikut ini merupakan perbandingan ukuran yang digunakan dalam menentukan kesikuan suatu sudut bidang dalam pemasangan bowplang adalah…
3 m : 4 m : 6 m
60 cm : 80 cm : 100 cm
30 m: 40 m : 60 m
5 cm: 6 cm: 10 cm
60 mm : 80 mm : 100 mm
1. Patok harus kuat dan tidak goyah 2. Berjarakcukup dari rencana galian 3. Pada sisi atas haris terletak satu bidang 4. Garis benang bowplang merupakan as 5. Terdapat titik atau tanda berupa paku dan cat meni Berikut ini merupakan persyaratan pemasangan bowplang adalah…
1
1-2
1-2-3
1-2-3-4
1-2-3-4-5
Perhatikan gambar penampang pondasi diatas. Apabila panjang pondasi 150 m, maka volume pondasi batu kali adalah…
112,6 m3
82,6 m3
72,6 m3
57,75 m3
42,6 m3
Pasangan seperti gambar diatas adalah…
Ikatan 1 bata vlam
Ikatan 1 bata silang
Ikatam ½ bata lurus
Ikatan 1 bata tegak
Ikatan ½ bata gabungan
Berdasarkan tabel analisa, 1 m2 plesteran dengan tebal 15 mm, campuran 1 PC: 3 Ps membutuhkan PC=4,5 kg, pasir 0,0195 m3. Bila panjang dinding tembok 42 m dan tinggi 3 m diplester luar dan dalam, maka kebutuhan PC dan pasir adalah…
PC = 382,725 kg, pasir = 1, 658 m3
PC = 567 kg, pasir = 2,457 m3
PC = 813,4 kg, pasir = 3,914 m3
PC = 1134 kg, pasir = 4,914 m3
PC = 1314 kg, pasir = 6,914 m3
Pada denah rumah seperti di atas akan dipasang lantai keramik 20x20 cm. Kebutuhan keramiknya sejumlah…
2.160 buah
1.890 buah
1.620 buah
1.350 buah
600 buah
Daya dukung tanah untuk pembuatan pondasi α = 0,3 – 0,5 kg/cm2 adalah…
Lembek
Sedang
Keras
Sangat keras
Keras sekali
Sebuah pondasi langsung dan menerus direncanakan memikulbeban 3 ton, dan daya tahan dukung tanah di lokasi tersebut sebesar 0,5 kg/cm2, maka lebar pondasinya adalah…
60 cm
70 cm
80 cm
90 cm
100 cm
Bila ukuran dimensi dari suatu balok beton bertulang 200 mm x 350mm, tebal selimut beton 20 mm, maka ukuran bentuk sengkang adalah…
140 mm x 290 mm
150 mm x 300 mm
160 mm x 310 mm
170 mm x 320 mm
180 mm x 330 mm
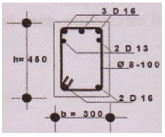
Di ketahui penampang balok seperti gambar di atas. Begel pada gambar adalah…
Begel diameter 2mm jarak pemasangan 16 cm
Begel 300 cm
Begel diameter 8 mm jarak pemasangan 100 mm
Begel diameter 8 cm jarak pemasangan 100 cm
Begel diameter 3 mm jarak pemasangan16 mm
Sebuah gelagar dijepit sempurna di A (B=ujung bebas), padanya bekerja muatan terbagi rata q=1 t/m. Hitunglah besar gaya reaksi pada tumpuan A bila diketahui panjang gelagar 4m!
8tm
-8 tm
8t
6tm
7tm
Untuk membentuk siar datar dan tegak agar menjadi padat dan rapi, menggunakan;:
Sendok spesi lancip
Sendok spesi oval
Sendok spesi persegi
Jointer
Line bobbind
Pekerjaan plesteran tembok merupakan pekerjaan menutup pasangan bata dengan plesteran adukan yang diharapkan akan memperoleh hasil sebagai berikut, kecuali:
tambahan kekuatan tembok
bidang muka tembok yang rata dan halus
bidang muka tembok yang lurus dan vertikal
bidang muka tembok yang sewarna dari bata dan adukan
bidang muka tembok supaya mudah dicat
Tebal plesteran tembok yang diijinkan:
0,5 cm – 1 cm
0,8 cm – 1,2 cm
1 cm – 1,5 cm
1,2 cm – 1,8 cm
1,5 cm – 2,5 cm
Sebelum kita mulai memlester tembok, maka terlebih dahulu mengerjakan:
memasang benang tegak dan datar
menentukan ketebalan plesteran dengan paku
membuat kepala/kop plesteran dengan sisi-sisi 5 cm
membuat alur/tanggul plesteran hingga rata dan tegak lurus
bisa langsung diplester dan diratakan
Dalam pekerjaan memasang keramik untuk lantai langkah kerja paling awal adalah:
padatkan urugan pasir
ukur panjang dan lebar ruangan
tentukan garis dasar ubin
urug dan ratakan dasar pasangan dengan pasir dan siram dengan air secukupnya
langsung pasang keramik asal rapi dan datar
Dalam pekerjaan memasang keramik pada dinding pemasangan dimulai dari atas kebawah dengan tujuan…
lebih mudah memasangnya
pasangan paling atas utuh semua
permukaan pasangan keramik bagian atas rata dan rapi
jika keramik yang paling bawah tidak utuh tidak merusak pandangan
pasangan lapis paling atas potongan dan rapi
Dalam pemasangan keramik agar tidak terjadi retak atau pecah, maka:
campuran dibuat sebaik mungkin
siar antara keramik dibuat rapat
siar antara keramik dibuat agak lebar
adukan harus mengisi penuh bidang bawah keramik
dalam mengisi celah keramik harus rata
Untuk membuat permukaan plesteran menjadi rata dikerjakan menggunakan:
sendok spesi/cetok
roskam
bilah perata
waterpas
jointer
Untuk pemasangan batu bata pada konstruksi lengkung yang perlu diperhatikan adalah:
Pengisian spesi harus padat dan penuh
Siar harus rapid an dijointer
Pasangan bata harus lurus
Pasangan bata harus tegak
Bentuk lengkung harus setengah lingkaran
Satu hal yang sering terjadi dan mengganggu dalam pekerjaan pengukur kedataran pekerjaan plesteran menggunakan selang air adalah…
air cepat kotor
selang sering putus
adanya gelembung udara didalam selang
hasil pengukuran tidak tetap
hasil pengukuran tergantung cuaca
Alat yang digunakan untuk membuat plesteran yang fungsinya untuk ngontrol ketegakan plesteran disebut:
Roskam
Unting- unting
Blebes
Benang
Paku
Pemasangan lantai keramik harus memperhatikan segi keindahan ruangan tersebut maka untuk tercapainya hal tersebut diatas dibawah ini pertimbangan-pertimbangan kecuali:
Kesimetrisan ruangan
Hubungan antar ruangan
Banyaknya keramik yang dibutuhkan
Warna yang mau dipakai
Bentuk keramik
Dibawah ini yang merupakan fungsi dari cat yang berkualitas, kecuali:
Daya sebar
Reaksi pengerasan
Daya tutup
Mudah dalam pengaplikasannya
Aman bagi kesehatan lingkungan
Yang harus dilakukan pertama kali untuk memulai proses pengecatan adalah….
Menyiapkan permukaan yang akan dicat
Pastikan permukaan dinding bersih dan kering
Kerjakan pengecatan pada siang hari
Mulai dari dekat jendela
Lakukan pembuangan sisa
Langkah terakhir pengecatan kayu adalah….
Periksa kelembaban
Permukaan harus bersih
Haluskan permukaan kayu
Permukaan kayu tidak rata perlu ditambal dengan undercoat
Berikan lapisan anti gores pada kayu yang telah dicat