Try Out Teori Kejuruan Teknik Kendaraan Ringan (TKR) tahap-1
Quiz
Kode 55 pada kode batere 55 D 23 L , menunjukkan ...........
Posisi terminal positif
Panjang baterai
Lebar batere
Kemampuan batere
Tinggi batere
Gambar dibawah menunjukkan komponen ..............
Trioda
Condensator
Resistor
Capasitor
Transistor
Hasil pemeriksaan berat jenis baterai menunjukkan 1,140 Berapakah kondisi pengosongan baterai…………
20%
25%
40 %
50%
60%
Besarnya tegangan dan ampere Baterai charger pada saat mengisi 2 buah baterai dengan kapasitas masing-masing 12 volt 60 AH secara seri adalah……
12 Volt/ 6 ampere
12 Volt/60 Ampere
24 Volt/ 6 ampere
24 Volt/ 60 Ampere
12 volt/ 120 Ampere
Kapasitas baterai yang diperoleh jika baterai dirangkai paralel seperti pada gambar berikut…
12 V- 50 AH
12 V- 150 AH
24 V- 50 AH
24 V- 150 AH
24 V- 33,3 AH
Sistem pengisian dengan regulator 2 unit, saat putaran sedang keatas lampu indicator menyala terang, perlu perbaikan pada……........
Indikator lamp
Voltage regulator
Voltage relay
Kunci kontak
Altenator
Saat mesin distart pinion gear bergerak maju mundur saja , kemungkinan kerusakan pada …
Primary Coil
Field coil
Armature Coil
Hold In coil
Pull in coil
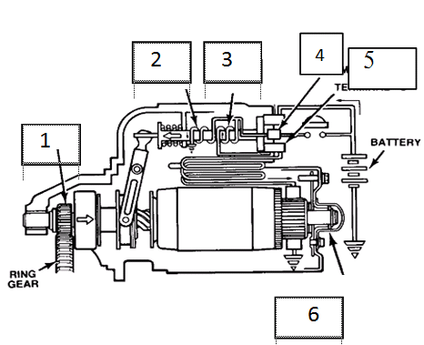
Gambar di bawah secara berurutan no. 2,3 dan 6 adalah ..........
Pinion gear, hold in coil,pull in coil
Hold in coil, pull in coil, armature brake
Hold in coil, pull in coil, brush
Terminal 50, pull in coil, brush
Terminal C, pull in coil, brush
Pada saat kendaraan bergerak mundur lampu tanda mundur tidak menyala, setelah di periksa arus listrik dari ACC pada kunci kontak ada tetapi tidak sampai ke lampu, sedangkan lampu diperiksa tidak putus , bagian apakah yang mengalami kerusakan ......,.
Skring
Relay
Saklar mundur
Combinatin swit
Dimmer swit
Intake air temperature sensor dan barometric pressure sensor terpasang pada…
MPS
ECU
TDC
Throttle Body
AFS
Pada saat lampu tanda belok dinyalakan ke posisi kanan lampu depan nyala tapi redup sedangkan lampu belakang menyala redup sekali apakah penyebabnya ...........
Lampu mati
Kabel putus
Sekring putus
Relay mati
Massa/ground kurang
Kemudi cenderung kearah kanan, kemungkinan kerusakan…….
Penyetelann Backlash tidak tepat
Kebebasan roda kemudi tidak ada
Bosh Strut bare bagian kanan Rusak/mengeras/aus
Minyak pelumas kering
Stabilizer patah
Saat kendaraan berjalan kemudi terlalu responsif,perlu perbaikan pada …….....
Kebebasan roda kemudi
Stabilizer
Shock absorber
Stering Main shaft
Stering Knuckel
Jenis dan konstruksi rem tipe leading dan trailing pada gambar dibawah, apabila digunakan maju terus maka .....................
Leading dan trailing shoe akan bekerja bergantian
Trailing shoe lebih cepat aus
Leading shoe akan terasa panas
Trailing shoe cenderung bergetar
Leading shoe lebih cepat aus
Gambar di bawah no 2,3,4 menunjukkan ................
Tie rod,pinion gear, rack
Ball joint, tie rod, rack
Ball joint,pinion gear, rack
Tie rod, rack, pinion gear
Ball joint,penutup debu,rack
Angka 70 pada spesifikasi ban seperti 225 / 70 R 22.5 140 137 J menunjukkan …
Lebar ban dalam Inchi
Lebar ban dalam mm
Aspek ratio dalam %
Aspek ratio dalam Inchi
Tinggi Ban
Komponen no 1,2,3,4,dan 5 menunjukkan .....
Sleeve joint,snapring,yoke,spider,bearing cup
Sleeve joint,spider,yoke,snapring,bearing cup
Spider,sleeve joint, yoke, snapring,bearing cup
Yoke, sleeve joint, spider, snapring, bearing cup
Yoke,spider,sleeve joint,snapring, bearing cup
Gambar dibawah secara berurutan no 1,2 dan 3 menunjukkan jenis ....
Three-quarter floating, semi floating, full floating
Semi floating, three quarter floating, full floating
Semi floating, three quarter floating,independent
Independent, semi floating , three quarter floating
Full floating, semi floating, three quarter floating
Gambar dibawah ini secara berurutan no 1,2 dan 3 menunjukkan pemeriksaan .................
Run out, backlash, pre load
Backlash, pre load, run out
Backlash, run out, pre load
Run out, endplay, free play
Run out, endplay, backlash
Gambar disamping menunjukkan .......
Menyetel beban mula bantalan samping
Menyetel beban mula ring gear
Menyetel run out
Menyetel endplay
Menyetel free play
Saat transmisi sudah berhubungan tuas dilepas ,tiba-tiba hubungan transmisi lepas (loncat dari hubungan), kemungkinan transmisi perlu perbaikan pada……. …
Counter Gear
Gigi tingkat
Poros input
Pengunci Release fork
Idler Gear
Dari diagram diperoleh data, Silinder 1 Kompresi,silinder 2 Hisap, Silinder 3 Usaha, dan silinder 4 buang, maka motor 4 tak 4 silinder mempunyai ” F.O ” .........................
1-4-3-2
1-2-4-3
1-3-4-2
1-3-2-4
1-4-2-3
Berapakah tekanan udara ban saat dingin / tidak digunakan ….
4,7 kg/cm²
3,2 kg/cm²
4,0 kg/cm²
4,9 kg/cm²
4,2 kg/cm²
Hasil pengukuran benda pada gambar mikrometer dibawah adalah. . . .
5,28 mm
6,28 mm
6,78 mm
5,78 mm
4,78 mm
Pada umumnya thickness gauge memiliki ketebalan antara. . . .
0,03 mm – 0,20 mm
0,03 mm – 0,50 mm
0,03 mm – 1,00 mm
0,30 mm – 0,50 mm
0,30 mm – 1,00 mm
Yang berfungsi menyerap getaran dan mencegah agar getaran tersebut tidak di teruskan ke body adalah …..
Pad
Bushing karet
Leaf spring
u-bolt
spring seat
Pada pelek yang berfungsi untuk mengikat kuat ban adalah ….
Hub cap boss
Disc
Wheel nut
Rim
Center hole
Sudut apakah yang dibentuk, antara garis simetri King Pin dengan garis vertical pada bidang datar ?
Caster
Camber
Toe in
Toe
Turning raidus
AC tidak dingin, dan pengukur tekanan rendahnya terlalu tinggi sedang pengukur tekanan tingginya terlalu rendah, gejala ini menunjukkan kerusakan pada:
Condenser
Evaporator
Receifer/Dryer
Compressor
Expansion valve
Keadaan AC: Tekanan dalam pipa tekanan tinggi terlalu besar. Dan drop pada saat Compressor berhenti. Langkah perbaikannya adalah:
Buang refrigerant, lakukan pemompaan vacuum, isi kembali refrigerant
Kurangi refrigerant hingga terlihat gelembung pada kaca pengintai
Ganti dryer/receifer
Siram condenser dengan air
Perbaiki pemasangan heat sensitizing valve
Pada sistem pendinginan mesin bila volume cairan pendingin berekspansi disebabkan naiknya temperature, maka cairan pendingin yang berlebihan dikirim ke reservoir tank melalui katup pada radiator cup adalah ….
Pressure valve
Vacuum valve
Bypass valve
Over flow valve
Relief valve
Pada pemeriksaan sistem pendinginan dengan menggunakan alat radiator tester, bagian yang harus diperiksa adalah …
Selang, klemselang, kisi-kisi radiator, inti radiator, dansumbat air.
Perubahan bentuk radiator, selang, klemselang, kisi-kisi radiator, water pump, radiator core dansumbat air
Sumbat air, radiator core, water pump, selangdan radiator.
Tutup radiator, radiator, selang, klem selang, kisi-kisi radiator, water pump, inti radiator dansumbat air.
Mesin diesel tipe injeksi langsung (direct injection) mempunyai tiga macam bentuk ruang bakar (main combustion) antara lain …
Multi spherical, bakmandi, dan pent roaf
Multi spherical, hemi spherical, danbakmandi
Bakmandi, hemi spherical, dan model baji
Model baji, hemi spherical, dansetengahbulat
Multi spherical, hemi spherical, dan spherical
Untuk memperingan pengoperasian pedal rem pada mesin diesel diberi boster rem yang mengambil kevakumannya dari ..
Intake manifold
Exhaust manifold
Injection pump
Feed pump
Vacuum pump
Adanya kebocoran arus listrik biasanya menyebabkan baterai mengalami
Pengosongan
Pengisian
Kebakaran
Arus pendek
Kebanjiran
Tindakan yang harus dilakukan terkait pengukuran berat jenis baterai sebesar 1,220 – 1,270 adalah ......
Menambahkan air suling agar berat jenis berkurang
Melakukan pengisian penuh
Tidak perlu tindakan
Mengganti baterai
Mengukur jumlah elektrolit
Torsion Bar Spring pada sistem suspensi berfungsi sebagai berikut...
Menahan gaya tekan
Menahan gaya punter
Sumbu putar pada saat kendaraan membelok
Sumbu putar pada saat kendaraan lurus
Menyerap getaran agar tidak diteruskan ke bodi
Kode ban luar mobil 250/70 R 17 - 120 110 O, yang mana kode tanda kemampuan kecepatan…
250/70
R
17
120 110
O
Pada sistem rem ABS komponen yang berfungsi sebagai penerima dan pengolah signaldata dari wheel speed sensor untuk menentukan tekanan minyak rem adalah……
Wheel speed sensor
Wheel speed sensor ring
Control unit
Hidraulic controlunit
ABS rellay
Sensor yang mengubah temperature udara masuk ke engine menjadi tegangan dan mengirimkannya ke engine control unit adalah…