Pompa oli yang digunakan pada mobil kijang mesin seri 2K, 3K-H, 4K dan 5K pada saat pemeriksaan pompa olinya meliputi :
Pemeriksaan semua komponen yang dibongkar, pemeriksaan kerja katup pembebas, mengukur celah ujung gigi, celah pangkal dan celah tengah.
Pemeriksaan semua komponen yang dibongkar, pemeriksaan kerja katup pembebas, mengukur celah ujung gigi, celah pangkal dan samping
Pemeriksaan kerja katup pembebas, mengukur celah ujung gigi, celah samping, celah bodi dan celah ujung.
Pemeriksaan semua komponen yang dibongkar, pemeriksaan kerja katup pembebas, mengukur celah ujung gigi, celah samping, dan celah body.
Pemeriksaan semua komponen yang dibongkar, pemeriksaan kerja katup pembebas, mengukur celah ujung gigi, celah tengah, celah pangkal, celanh samping dan celah bodi.
Pada mesin bahan bakar dibakar didalam silinder untuk merubah energy panas menjadi tenaga gerak, perbandingan energy yang dimanfaatkan secara efektif dan energy yang hilang bersama gas buang/gesekan dengan energy yang diserap pada sistem pendinginan mesin adalah sebagai berikut….
30% : 45% : 25%
25% : 45% : 30%
45% : 25% : 30%
25% : 30% : 45%
30% : 25% : 45%
Pada saat plunger melakukan langkah penekanan bahan bakar dan disalurkan ke injection nozzle maka terjadi pertemuan lubang antara :
distribution port dengan pressure equalizing groove
spill port dengan spill ring
distribution port dengan distribution passage
suction port dengan suction groove
suction groove dengan distribution port
Sistem bahan bakar diesel yang menggunakan pompa injeksi tipe distributor terdapat komponen water sedimenter and fuel filter. Komponen ini terdapat komponen – komponen kecil lagi antara lain….
Pada pemeriksaan baterai ada pekerjaan test beban baterai, gambar di bawah ini yang menunjukkan hal tersebut adalah …..
Saat melakukan pelepasan kabel baterai dari terminal baterai, yang harus didahulukan adalah.......
Melepas hubungan terminal baterai ke massa
Melepas hubungan terminal baterai ke beban
Melepas hubungan kedua terminal secara bersamaan
Memeriksa kondisi kabel baterai
Memeriksa kondisi terminal baterai
Tekanan pada katup isap dan katup penyalur terlalu rendah, dan udara tidak keluar dari evaporator, penyebab keadaan ini adalah:
Ada air pada evaporator
Evaporator membeku
Jumlah refrigerant berlebih
Condenser tersumbat kotoran
Jumlah refrigerant kurang
Salah satu fungsi sistem AC di daerah tropis adalah....
menyejukkan kabin
mencegah kondensasi pada kaca
penghangat kabin
menghindari udara kotor masuk ke kabin
menghemat bahan bakar
Kode ban : T 135 / 70 D 16 Angka 135 dan 16 menunjukkan……
Panjang ban(cm), lebar ban(inch)
Lebar pelk (cm), lebar ban (cm)
Kecepatan max roda(km/h), diameter pelk (inch)
Lebar ban (mm), diameter pelk(inch)
Diameter pelk (cm), lebar ban (cm)
Tonjolan didalam tread yang jumlahnya empat sampai enam di sekeliling ban disebut….
Carcas
Belt
Indikator tekanan ban
Indikator keausan ban
indikator putaran ban
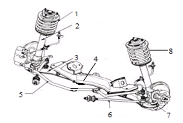
Nama komponen yang ditunjukkan angka 1,3,5,7 pada gambar di atas adalah…
Coil spring, shock absorber,lower arm, suspension member
Shock absorber, lower arm, suspension member, stabillizer bar
Coil spring, lower arm, stabilizer bar, ball joint
lower arm, suspension member, stabilizer bar, struth bar
coil spring, ball joint, strut bar, stabillizer bar
Torsion Bar Spring pada system suspense berfungsi sebagai berikut...
Menahan gaya tekan.
Menahan gaya punter
Sumbu putar pada saa tkendaraan membelok.
Sumbu putar pada saat kendaraan lurus
Menyerap getaran agar tidak diteruskan kebodi
Berapakah panjang ukuran yang ditunjukkan pada Micro meter dibawah ini…
7,65 mm
79,5 mm
7, 15 mm
7,95 mm
5,65 mm
Sensor yang terletak disaluran gas buang dinamakan ....
Trottlhe Position Sensor
Vehicle speed sensor
Intake Air Temperatur
Variable Intake Manifold
Oksigen sensor
Jenis caliper yang dasar desainnya sangat baik dan dijamin dapat lebih akurat adalah,…..
Fixed caliper
Floating caliper
Semi floating caliper
Full floating caliper
Full floating AD
Bila arus listrik mengalir di dalam sirkuit,dengan adanya tahanan Listrik di dalam sirkuit akan menyebabkan .....
tegangan naik setelah melewati tahanan
tahanan turun melewati tegangan
tahanan naik melewati tegangan
tahanan melewati arus listrik
tegangan turun setelah melewati tahanan
Bila arus listrik mengalir melalui cigarette lighter pada mobil, kabel nichrome pada cigarette lighter akan menjadi.......
Panas dan berwarna merah
Dingin dan berwarna merah
Panas dan berwarna kuning
Panas dan berwarna biru
Dingin berwarna kuning
Jenis caliper yang dasar desainnya sangat baik dan dijamin dapat lebih akurat adalah,…..
Fixed caliper
Floating caliper
Semi floating caliper
Full floating caliper
Full floating AD
Perbedaan antara kecepatan kendaraan dan kecepatan putaran roda ketika kendaraan direm adalah..
Slip ratio
Koefisien gesek
Traction (traksi)
Efektifitas pengereman
momen
Pada jalanan menurun di pegunungan, pengemudi tidak dianjurkan untuk menginjak rem terus menerus sehingga membahayakan kendaraan. Bahaya yang dimaksud adalah terjadinya …..
Fading
Self energizing
Dumping
Sliding
Yawing
Tegangan yang dihasilkan oleh sensor putaran roda pada rem ABS adalah ….
Tegangan AC
Tegangan DC
Tengangan negative
Tegangan positif
Tegangan searah
Pada kendaraan dengan system ABS dilengkapi dengan TRC, menurut saudara fungsi dari system TRC adalah …
Mengontrol momen mesin
Mengontrol kerja dari system ABS
Sebagai control system hidrolis rem
Mengontrol putaran roda
Mengontrol sepatu rem
Tekanan dalam saluran bahan bakar(fuel line) pada kendaraan sistem EFI dikontrol oleh
Fuel pump
Return line
Injector
Delivery pipe
Pressure regulator
Sistem pada karburator yang berfungsi untuk mensuplai campuran bahan bakar dan udara pada saat pedal diinjak tiba-tiba atau ketika trotle valve terbuka tiba-tiba. yaitu…..
Slow speed system
High speed system
Power system
Acceleration system
Choke system
Komponen dari sistem bahan bakar diesel yang digunakan untuk mengeluarkan udara bila terjadi masuk angin adalah :
Feed pump.
Priming pump. `
Ijection pump.
Fuel filter.
Ijection pump.
Penggunaan alat pemusat kopling pada waktu memasang unit kopling, bila plat kopling tidak disenter maka ...
pengencangan baut-baut sulit dilakukan
pakai oli atau gemuk untuk memudahkan pemasangan
pegas diafragma sulit dipasanag
poros input transmisi tidak bisa masuk pada bantalan pilot
gosok sedikit permukaan bidang gesek plat kopling dan roda gaya
Plat kopling lebih tebal dari ukuran standart atau kesalahan ukuran pada roda gaya dan unit penekan mengakibatkan ...
ujung pegas diafragma agak keluar
unit penekan aus
pegas diafragma sejajar
ujung pegas diafragma agak kedalam
pegas diafragma sama tinggi
Pada saat kendaraan melaju dengan kecepatan tinggi terjadi getaran, tetapi bukan disebabkan oleh mesin atau roda-roda, getaran tersebut terasa semakin besar ketika kecepatan mesin bertambah. Getaran tersebut isebabkan oleh ...
keausan atau kerusakan dari bantalan universal joint
keausan atau kerusakan dari poros roda gigi transmisi
hubungan roda-roda gigi transmisi kurang tepat
kurangnya minyak pelumas di bak differential
poros output transmisi melengkung atau tidak balance