Sebuah gaya bekerja pada dua buah tumpuan (lihat gambar) lebar tumpuan = 10 m. dan gaya bekerja di tengah-tengah. Berapakah reaksi yang ada di RB tersebut ….
15 t
7,5 t
15 N
7,5 N
5 N
Batang baja berdiameter 4 mm kepadanya bekerja gaya puntir 800 kg, maka tegangan puntirnya adalah ….
63,69 kg/mm².
66,39 kg/mm².
69,69 kg/mm².
81,52 kg/mm².
160,76 kg/mm².
Arus (I) yang mengalir pada suatu rangkaian tertutup R1 = 5 ohm, dan R 2 = 2 Ohm serta V = 12 volt pada rangkaian dibawah adalah ….
5 A
12 A
7 A
2 A
12/7 A
Berikut bagian dari system pengapian Platina dalam motor bakar kecuali ….
Kapasitor
Distributor
CDI
Busi
Coil
Kemampuan suatu logam untuk menahan proses korosi tersebut di sebut sifat ….
Mekanik
Fisika
Kimia
Sifat Pengerjaan
Metallurgi
Dapur tinggi adalah salah satu alat yang digunakan untuk pengolahan logam , hasil yang diperoleh pada dapur tinggi adalah ….
CaCO3
O2
H2O
CO2
SO4
Alat keselamatan kerja disamping digunakan pada saat melakukan pekerjaan….
Painting
Turning
Milling
Grinding
Welding
Alat Ukur ini berfungsi untuk mengukur ….
Diameter luar
Diameter dalam
Lebar gap
Depth
Out side diameter
Hasil pengukuran vernier Caliper pada gambar disamping adalah ….
16,60 mm
15,60 mm
12,46 mm
11,46 mm
12,48 mm
Penyimpanan alat ukur vernier caliper sesuai dengan standar prosedur operasi dan prosedur bengkel adalah ….
Ditumpuk di almari alat setelah dicek
Diatur rapi dan dijadikan satu dengan alat lain
Dimasukkan pada kotaknya setelah bersih
Diatur rapi dekat kikir dan diberi minyak
Diletakkan di atas meja secara berjajar
Penggunaan perkakas tangan berupa hand tap M 12x0.75 bila diukur besarnya sudut ulir adalah ….
45 ⁰
55 ⁰
60 ⁰
30 ⁰
90 ⁰
Yang dimaksud dengan kalibrasi sebelum menggunakan alat ukur vernier caliper adalah ….
mengecek kelurusan skala nonius
mengecek kebersihan alat ukur
mengecek ketelitian alat ukur
mengecek panjang material
mengecek ukuran benda kerja
Harga kekasaran N6 adalah ….
12,5 µm
6,3 µm
3,2 µm
1,6 µm
0,8 µm
Pada gambar tertuliskan symbol toleransi geometric seperti gambar, artinya adalah ….
Bidang yang ditunjuk mempunyai ketegaklurusan 2/100 terhadap bidang A-B
Bidang yang ditunjuk mempunyai ketegaklurusan 2/1000 terhadap bidang A-B
Bidang yang ditunjuk mempunyai ketegaklurusan 2/10 terhadap bidang A-B
Semua permukaan dikerjakan dengan tingkat kekasaran N6
Bidang yang ditunjuk mempunyai kesejajaran 2/100 terhadap bidang A-B
Yang menjadi acuan dalam menentukan dimensi mesin bubut ….
Panjang jarak antara ujung pusat senter kepala lepas dengan ujung pusat senter kepala tetapdan tinggi jarak antara pusat senter dengan eretan memanjang
Panjang jarak antara ujung pusat senter kepala lepas dengan ujung pusat senter kepala tetapdan tinggi jarak antara pusat senter dengan eretan lintang
Panjang jarak antara ujung pusat senter kepala lepas dan ujung pusat senter kepala tetap dan tinggi jarak antara pusat senter kepala tetap dengan bodi mesin
Panjang jarak antara ujung pusat senter kepala lepas dengan ujung pusat senter kepala tetapdan tinggi jarak antara pusat senter dengan meja mesin
Panjang jarak antara ujung pahat dengan three jaws chuck
Alur seperti gambar dibuat dengan mesin frais menggunakan pisau …
Pisau Alur
Pisau Ekor Burung,
Pisau Bentuk
Pisau Mantel
Pisau Modul
Agar terjadi proses pemotongan pada saat membubut sebagaimana ilustrasi gambar dibawah, prinsip dasar dalam menentukan arah putarannya adalah ....
Berlawanan arah dengan putaran jarum jam
Searah dengan putaran jarum jam
Berlawanan arah dengan mata sayat alat potong
Berlawanan arah dengan sudut bebas alat potong
Depth yang tipis
Pemasangan pahat bubut diatas pusat senter benda kerja pada proses pengerjaan diameter luar sebagaimana gambar dibawah, akan berdampak pada perubahan sudut yaitu ....
Berikut ini merupakan langkah-langkah dalam proses pengerjaan dengan mesin frais coba anda analisis langkah kerja manakah urutan yang paling tepat ! I. Menyiapkan BK dan peralatan yang dibutuhkan II. Memasang BK pada ragum Frais secara kokoh III. Mengatur putaran spindle sesuai dengan diameter cutter dan bahan BK IV. Mengatur ketebalan pemakanan V. Setting titik nol memulai penyayatan VI. Mengukur BK untuk memastikan ketepatan ukuran
I-II-III-IV-V-VI
I-II-III-V-IV-VI
I-II-III-IV-VI-V
I-III-II-IV-V-VI
I-III-II-V-IV-VI
Jenis pisau frais untuk mesin frais horizontal yang digunakan untuk mengefrais benda yang relative lebar dan panjang….
Dove tail cutter
Side milling cutter
Double angle cutter
Slab milling cutter
Helical milling cutter
Panjang BK yang di frais dengan menggunakan mesin frais holisontal adalah 120 mm, diameter alat potong 60 mm dan kecepatan potong 30 m/men, maka besarnya putaran sumbu utama teoritis adalah ….
80 rpm
159 rpm
318 rpm
636 rpm
1290 rpm
Akan dibuat roda gigi payung (Z) = 18 buah, m = 2,5 dan δ = 45⁰. Putaran engkol pembagi pada kepala pembagi (i = 40:1) adalah ….
2 (4/18) put
1 (4/18) put
4 (1/18) put
4 (4/18) put
0,5 put
RG dengan butiran silicon carbide secara umum digunakan untuk menggerinda BK yang mempunyai tegangan tarik rendah yaitu ….
Besi non ferro, Al, grafit, kuningan dan carbide
Besi tuang,grafit, Al, Kuningan dan carbide,
Besi tuang non ferro, Al, Kuningan, dan Carbide
Besi tuang kelabu, grafit, Al. kuningan dan Carbide
Besi tuang kelabu, Al, kuningan dan Carbide
Sebuah Roda Gerinda berdiameter D = 175 mm mempunyai kecepatan putar 1500 rpm. Hitung kecepatan keliling Roda Gerinda .…
13,74 m/men
187,4 m/men
18,74 m/men
13,74 m/det
18, 74 m/det
Parameter pemotongan RG datar adalah ….
Kecep potong RG dan kecep Putar mesin
Kecep potong RG dan kecep Putar mesin
Kecep keliling RG dan kecep putar mesin
Kecep potong RG, kecep putar mesin dan waktu penggerindaan
Kecep Kell RG, Kecep putar mesin dan waktu penggerindaan
Pembubutan rata/lurus diantara dua senter, jika senter tetap dan senter kepala lepas tidak sepusat akan berakibat ….
Pembubutan konis hasil lurus
Pembubutan lurus hasilnya lurus.
Pembubutan tirus hasil tirus
Pembubutan tirus hasis lurus
Pembubutan lurus hasil tirus
Bila diketahui kerja bubut. Panjang pengeboran (L) mm, besar pemakanan (f) dan kecepatan pemakanan (F) serta besarnya diameter bor (d) maka besarnya awalan mata bor (la ) adalah ….
.la = 0,3 d
,la = 0,4 d
,la = 0,5 d
,la = 0,6 d
,la = 0,7 d
Hasil pengukuran micrometer dibawah ini adalah ….
55,45 mm
56,45 mm
56,95 mm
55,95 mm
56,90 mm
Sebuah Benda Kerja akan dibubut tirus dengan menggeser eretan atas. Diketahui diameter terbesar D mm diameter terkecil (d) mm dan panjang tirusnya (l) mm. Maka pergeseran eretan atasnya adalah ….
,tg α = (D-d)/l
‘tg α = ½(D-d)l
,tg α = (D-d)/2l
,tg α = (Dxd) /2l
,tg α = (Dxd)
Pada proses pembuatan bahan roda gigi lurus dengan profil involute apabila jumlah gigi yang di buat 60 buah dengan modul 2 mm berapakah tinggi gigi tersebut ….
2 mm
120 mm
4,5 mm
30 mm
5 mm
Diket : Kerja Frais Lebar BK (l) = 250 mm n = 350 rpm f = 0,08 mm/put la=lu = 20 mm t = 6 mata sayat Ditanya : waktu machining (tm) .. men
1,7 men
2, 7 men
0,5 men
2,8 men
3,0 men
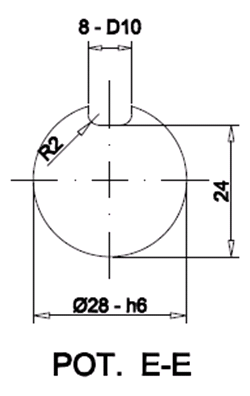
Untuk mengukur diameter 28 – h6 mm alat ukur yang sesuai adalah ….
Inside micrometer
Jangka bengkok
Outside micrometer
Vernier Caliper
Depth micrometer
Akan dibuat sebuah roda gigi helik dengan Z = 20 gigi, modul normal = 2 mm dan sudut kemiringan = 15⁰. (cos 15 ⁰ = 0,9659) Besarnya diameter lingkaran jarak adalah ….
41,41 mm
40 mm
10 mm
30 mm
25 mm
Batu gerinda seperti gambar diatas terutama digunakan untuk…..
Menggerinda alat potong
Menggerinda rata
Menggerinda potong
Menggerinda hasil las
Menggerinda alur
Kode tingkat kekerasan batu gerinda D E F G termasuk dalam kategori ….
Sangat Lunak
Lunak
Sedang
Keras
Sangat Keras
Bila diketahui diameter roda gerinda 100 mm dan putarannya 600 rpm besarnya Kecepatan Kelling Roda Gerinda (POS ) adalah ….
3,14 m/det
3,41 m/det
4,13 m/det
4,31 m/det
4,00 m/det
Proses penyayatan pada mesin bubut CNC dilakukan dua tahap, yang pertama adalah…
pengkasaran
penyelesaian
penghalusan
pendahuluan
pengaluran
Format perintah G01 adalah ....
N … / G01 / X … / Z … / F … / H …
N … / G01 / X … / Z … / F …
N...../G01 / T3
N … / G01 / X … / Z …
N … / G01 / X … / Z … / K …
Fungsi dari kompensasi alat potong G03 dimesin Frais CNC adalah ….
Memerintahkan alat potong untuk bergeser melengkung berlawanan jarum jam (CCW)
Memerintahkan alat potong untuk bergeser kekiri garis sejauh diameter alat potong
Memerintahkan alat potong untuk bergeser kekanan garis sejauh radius alat potong
Memerintahkan alat potong untuk bergeser kekiri garis sejauh radius alat potong
Memerintahkan alat potong untuk bergeser kekiri garis sejauh panjang alat potong
Program mesin CNC yang sesuai untuk gambar kerja berikut dari titik A ke titik B dengan metode absolut adalah…